Standard-Schwimmerschalter Ø12 mm

SR4N-N3-13-0-G

  • Robust: Edelstahlgehäuse und Schwimmer aus 1.4571
  • Für Betriebsdrücke bis 25 bar geeignet
  • Außenmontage über G2-Gewinde
Technische Daten
customizing
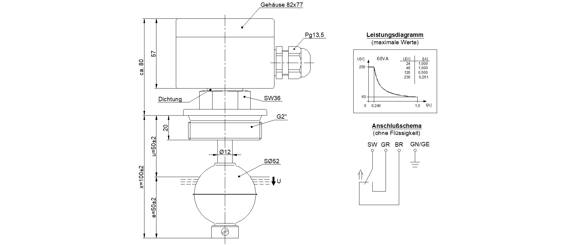
Technische Zeichnung

Dieser Standard-Schwimmerschalter mit Ø12 mm Schaltrohr ist für industrielle Anwendungen ausgelegt, in denen korrosionsbeständige Materialien und erhöhte Betriebsdrücke erforderlich sind. Gehäuse und Schwimmer bestehen vollständig aus Edelstahl 1.4571, wodurch der Sensor zuverlässig in aggressiven oder druckbelasteten Flüssigkeiten betrieben werden kann. Die bewährte Reed-Technik arbeitet ohne Dauerstrom und ermöglicht eine langlebige und präzise Grenzstandserfassung. Die vertikale Installation erfolgt von außen über ein G2-Gewinde.

Einbautiefe: L100 mm

Ausgangsart: Reedkontakt

Kontaktform: C

Arbeitstemperatur: –5 °C … +60 °C

Anschlußart: Gehäuse

IP-Schutzklasse: IP 65 (DIN VDE 0470 T1)

Schaltleistung max.: 60 VA

Schaltstrom max.: 1.0 A

Schaltspannung max. VDC: 250 V

Dauerstrom max.: 2.0 A

Gewinde / Montageart: G2

Einbau: von Außen

Gehäusematerial: 1.4571

Schwimmerwerkstoff: 1.4571

Zulassung: CE

Montage: vertikal

Eintauchtiefe Schwimmer: 34 mm ±2 mm (bei Dichte 1 g/cm³)

Druck Schwimmer max.: 25 bar

Dichte Schwimmer: ca. 0.53 g/cm³ ±10 %

Zulassung

EG-Konformität 2014/35/EU Niederspannungsrichtlinie

Anschlusskopf

Der Anschlusskopf kann von einem einfachen Kabelausgang bis hin zum R2“ Gewinde gestaltet werden.

Gehäuse

Ebenfalls führen wir Flansche in den standardisierten Größen, mit oder ohne Gehäuse

Varianten

Edelstahl- (WNr. 1.4571), Messing- (WNr. 2.0321) und PVC-Varianten

Länge

Schaltrohr bis 1m Länge

Form

Gerade oder gebogene Varianten

Material

Die Materialen der Schwimmerkörper variieren von PVC, PP, POM, PVDF, NBR bis Edelstahl, in Abhängigkeit der Anforderung