Standard-Schwimmerschalter Ø12 mm

SP1N-N2-13-0-010-10

  • Edelstahlgehäuse und Schwimmer aus 1.4571
  • Leistungsstark: 60 VA Schaltleistung
  • Horizontaler Einbau über Pg9-Kabelverschraubung
Technische Daten
customizing
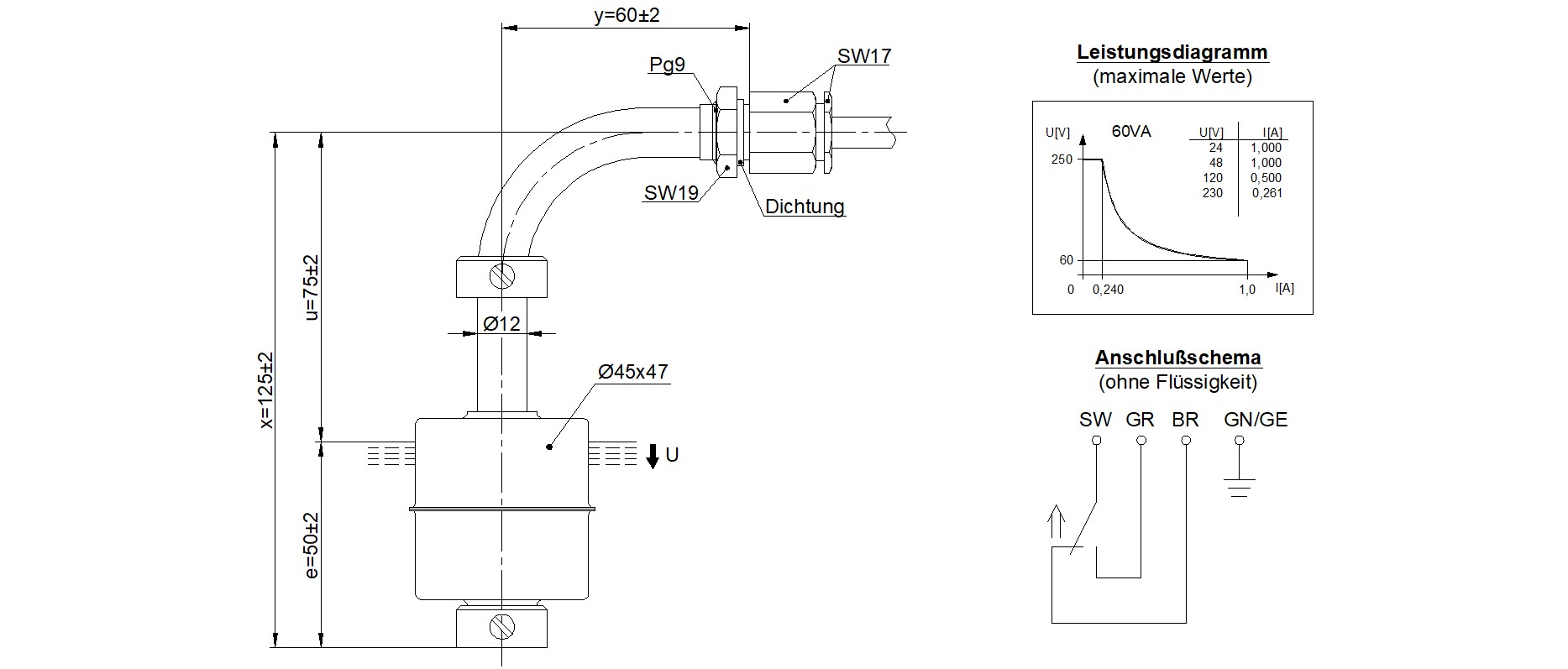
Technische Zeichnung

Dieser Standard-Schwimmerschalter mit Ø12 mm Schaltrohr wurde für Anwendungen ausgelegt, bei denen korrosionsbeständige Materialien und ein horizontaler Einbau gefordert sind. Gehäuse und Schwimmer bestehen vollständig aus Edelstahl 1.4571, wodurch der Sensor zuverlässig in industriellen und druckbelasteten Flüssigkeiten eingesetzt werden kann. Die bewährte Reed-Technik arbeitet ohne Dauerstrom und ermöglicht eine präzise und langlebige Grenzstandserfassung. Der Einbau erfolgt von innen über eine Pg9-Kabelverschraubung und ein PVC-Anschlusskabel.

Einbautiefe: L125 mm

Ausgangsart: Reedkontakt

Kontaktform: C

Arbeitstemperatur: –5 °C … +60 °C

Anschlußart: Kabel PVC

Kabelquerschnitt: 4 × 0.5 mm²

IP-Schutzklasse: IP 65 (DIN VDE 0470 T1)

Schaltleistung max.: 60 VA

Schaltstrom max.: 1.0 A

Schaltspannung max. VDC: 250 V

Dauerstrom max.: 2.0 A

Kabellänge: 1.0 m

Gewinde / Montageart: Pg9

Einbau: von Innen

Gehäusematerial: 1.4571

Schwimmerwerkstoff: 1.4571

Zulassung: CE

Montage: horizontal

Eintauchtiefe Schwimmer: 32 mm ±2 mm (bei Dichte 1 g/cm³)

Druck Schwimmer max.: 25 bar

Dichte Schwimmer: ca. 0.69 g/cm³ ±10 %

Zulassung

EG-Konformität 2014/35/EU Niederspannungsrichtlinie

Anschlusskopf

Der Anschlusskopf kann von einem einfachen Kabelausgang bis hin zum R2“ Gewinde gestaltet werden.

Gehäuse

Ebenfalls führen wir Flansche in den standardisierten Größen, mit oder ohne Gehäuse

Varianten

Edelstahl- (WNr. 1.4571), Messing- (WNr. 2.0321) und PVC-Varianten

Länge

Schaltrohr bis 1m Länge

Form

Gerade oder gebogene Varianten

Material

Die Materialen der Schwimmerkörper variieren von PVC, PP, POM, PVDF, NBR bis Edelstahl, in Abhängigkeit der Anforderung