Standard-Schwimmerschalter Ø12 mm

SF3M-P2-13-0-S

  • Stabil: Edelstahlgehäuse 2.0321 für industrielle Anwendungen
  • PP-Schwimmer für neutrale Flüssigkeiten
  • Praktisch: Außenmontage über 75-mm-Ovalflansch mit DIN-43650-Stecker
Technische Daten
customizing
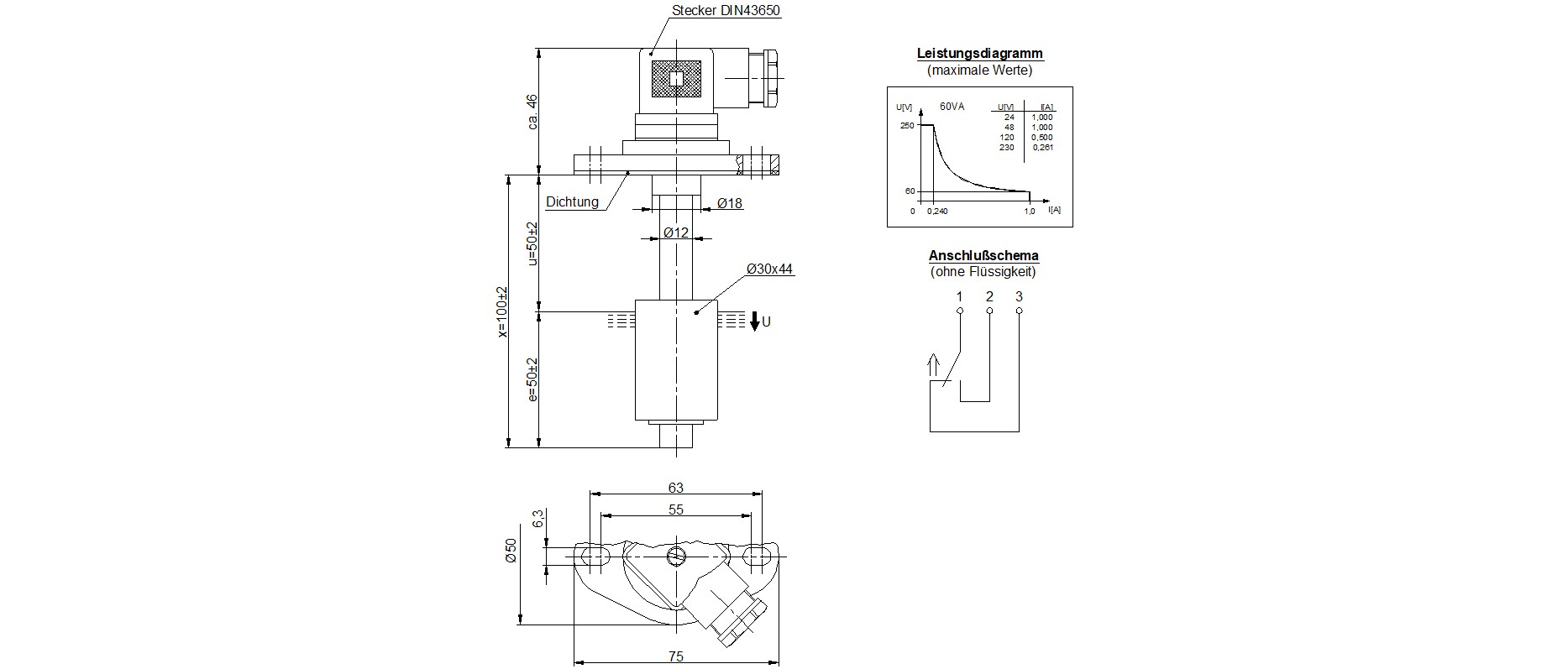
Technische Zeichnung

Dieser Standard-Schwimmerschalter mit Ø12 mm Schaltrohr wurde für Anwendungen konzipiert, in denen eine robuste Bauweise und eine sichere Außenmontage erforderlich sind. Das Gehäuse aus Edelstahl 2.0321 sorgt für hohe Stabilität und Korrosionsbeständigkeit, während der PP-Schwimmer ideal für saubere und neutrale Medien geeignet ist. Die zuverlässige Reed-Technik arbeitet ohne Dauerstrom und ermöglicht eine langlebige, präzise Grenzstandserfassung. Die vertikale Installation erfolgt über einen 75-mm-Ovalflansch von außen, während der genormte DIN-43650-Stecker eine schnelle und sichere elektrische Verbindung gewährleistet.

Einbautiefe: L100 mm

Ausgangsart: Reedkontakt

Kontaktform: C

Arbeitstemperatur: –5 °C … +60 °C

Anschlußart: Stecker DIN 43650

IP-Schutzklasse: IP 65 (DIN VDE 0470 T1)

Schaltleistung max.: 60 VA

Schaltstrom max.: 1.0 A

Schaltspannung max. VDC: 250 V

Dauerstrom max.: 2.0 A

Gewinde / Montageart: 75 mm Ovalflansch

Einbau: von Außen

Gehäusematerial: 2.0321

Schwimmerwerkstoff: PP

Zulassung: CE

Montage: vertikal

Eintauchtiefe Schwimmer: 28 mm ±2 mm (bei Dichte 1 g/cm³)

Druck Schwimmer max.: 10 bar

Dichte Schwimmer: ca. 0.6 g/cm³ ±10 %

Zulassung

EG-Konformität 2014/35/EU Niederspannungsrichtlinie

Anschlusskopf

Der Anschlusskopf kann von einem einfachen Kabelausgang bis hin zum R2“ Gewinde gestaltet werden.

Gehäuse

Ebenfalls führen wir Flansche in den standardisierten Größen, mit oder ohne Gehäuse

Varianten

Edelstahl- (WNr. 1.4571), Messing- (WNr. 2.0321) und PVC-Varianten

Länge

Schaltrohr bis 1m Länge

Form

Gerade oder gebogene Varianten

Material

Die Materialen der Schwimmerkörper variieren von PVC, PP, POM, PVDF, NBR bis Edelstahl, in Abhängigkeit der Anforderung