Standard-Schwimmerschalter Ø12 mm

SR4K-K2-13-0-G

  • PVC-Gehäuse mit PVC-Schwimmer
  • Leistungsstark: 60 VA Schaltleistung
  • Praktisch: Außenmontage über G2-Gewinde
Technische Daten
customizing
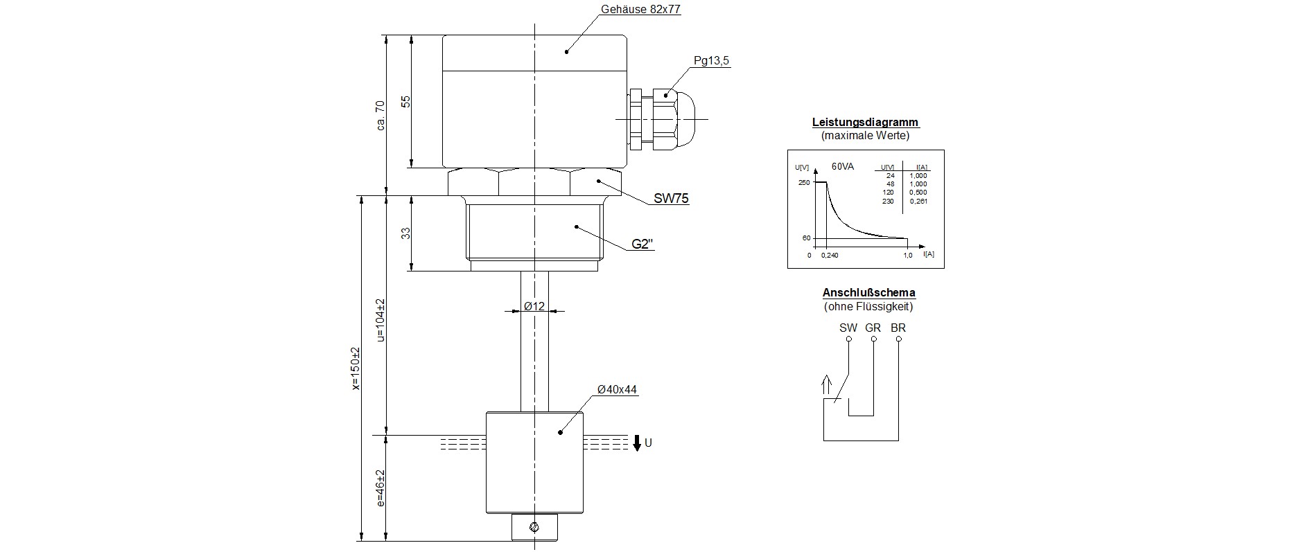
Technische Zeichnung

Dieser Standard-Schwimmerschalter mit L150 mm Einbautiefe und Ø12 mm Schaltrohr eignet sich für Anwendungen, bei denen eine leichte, korrosionsbeständige Bauform gefordert ist. Gehäuse und Schwimmer bestehen aus PVC, wodurch der Sensor für neutrale und wasserbasierte Medien geeignet ist. Die bewährte Reed-Technik arbeitet ohne Dauerstrom und ermöglicht eine langlebige und präzise Grenzstandserfassung. Die vertikale Installation erfolgt von außen über ein G2-Gewinde.

Einbautiefe: L150 mm

Ausgangsart: Reedkontakt

Kontaktform: C

Arbeitstemperatur: –5 °C … +60 °C

Anschlußart: Gehäuse

IP-Schutzklasse: IP 65 (DIN VDE 0470 T1)

Schaltleistung max.: 60 VA

Schaltstrom max.: 1.0 A

Schaltspannung max. VDC: 250 V

Dauerstrom max.: 2.0 A

Gewinde / Montageart: G2

Einbau: von Außen

Gehäusematerial: PVC

Schwimmerwerkstoff: PVC

Zulassung: CE

Montage: vertikal

Eintauchtiefe Schwimmer: 25 mm ±2 mm (bei Dichte 1 g/cm³)

Druck Schwimmer max.: 5 bar

Dichte Schwimmer: ca. 0.55 g/cm³ ±10 %

Zulassung

EG-Konformität 2014/35/EU Niederspannungsrichtlinie

Anschlusskopf

Der Anschlusskopf kann von einem einfachen Kabelausgang bis hin zum R2“ Gewinde gestaltet werden.

Gehäuse

Ebenfalls führen wir Flansche in den standardisierten Größen, mit oder ohne Gehäuse

Varianten

Edelstahl- (WNr. 1.4571), Messing- (WNr. 2.0321) und PVC-Varianten

Länge

Schaltrohr bis 1m Länge

Form

Gerade oder gebogene Varianten

Material

Die Materialen der Schwimmerkörper variieren von PVC, PP, POM, PVDF, NBR bis Edelstahl, in Abhängigkeit der Anforderung