Standard-Schwimmerschalter Ø12 mm

SR3K-P2-13-0-S

  • PVC-Gehäuse mit PP-Schwimmer
  • Leistungsstark: 60 VA Schaltleistung
  • Außenmontage über G1-Gewinde und DIN-43650-Stecker
Technische Daten
customizing
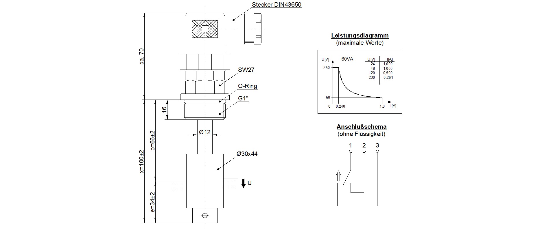
Technische Zeichnung

Dieser Standard-Schwimmerschalter mit Ø12 mm Schaltrohr wurde für Anwendungen konzipiert, in denen eine leichte, korrosionsbeständige Bauform und eine einfache Außenmontage erforderlich sind. Das PVC-Gehäuse in Kombination mit einem PP-Schwimmer eignet sich für neutrale und leicht belastete Medien. Die bewährte Reed-Technik ermöglicht eine langlebige und zuverlässige Grenzstandserfassung ohne Dauerstrom. Die vertikale Installation erfolgt von außen über ein G1-Gewinde und einen genormten DIN-43650-Stecker.

Einbautiefe: L100 mm

Ausgangsart: Reedkontakt

Kontaktform: C

Arbeitstemperatur: –5 °C … +60 °C

Anschlußart: Stecker DIN 43650

IP-Schutzklasse: IP 65 (DIN VDE 0470 T1)

Schaltleistung max.: 60 VA

Schaltstrom max.: 1.0 A

Schaltspannung max. VDC: 250 V

Dauerstrom max.: 2.0 A

Kabellänge: 1.0 m

Gewinde / Montageart: G1

Einbau: von Außen

Gehäusematerial: PVC

Schwimmerwerkstoff: PP

Zulassung: CE

Montage: vertikal

Eintauchtiefe Schwimmer: 28 mm ±2 mm (bei Dichte 1 g/cm³)

Druck Schwimmer max.: 10 bar

Dichte Schwimmer: ca. 0.60 g/cm³ ±10 %

Zulassung

EG-Konformität 2014/35/EU Niederspannungsrichtlinie

Anschlusskopf

Der Anschlusskopf kann von einem einfachen Kabelausgang bis hin zum R2“ Gewinde gestaltet werden.

Gehäuse

Ebenfalls führen wir Flansche in den standardisierten Größen, mit oder ohne Gehäuse

Varianten

Edelstahl- (WNr. 1.4571), Messing- (WNr. 2.0321) und PVC-Varianten

Länge

Schaltrohr bis 1m Länge

Form

Gerade oder gebogene Varianten

Material

Die Materialen der Schwimmerkörper variieren von PVC, PP, POM, PVDF, NBR bis Edelstahl, in Abhängigkeit der Anforderung