Standard-Schwimmerschalter Ø12 mm

SF3K-R4-13-0-S

  • Leistungsstark: 60 VA Schaltleistung für vielseitige Anwendungen
  • PVC-Gehäuse mit NBR-Schwimmer für wasser- und ölhaltige Medien
  • Praktisch: Außenmontage über D75-Flansch und DIN-43650-Stecker
Technische Daten
customizing
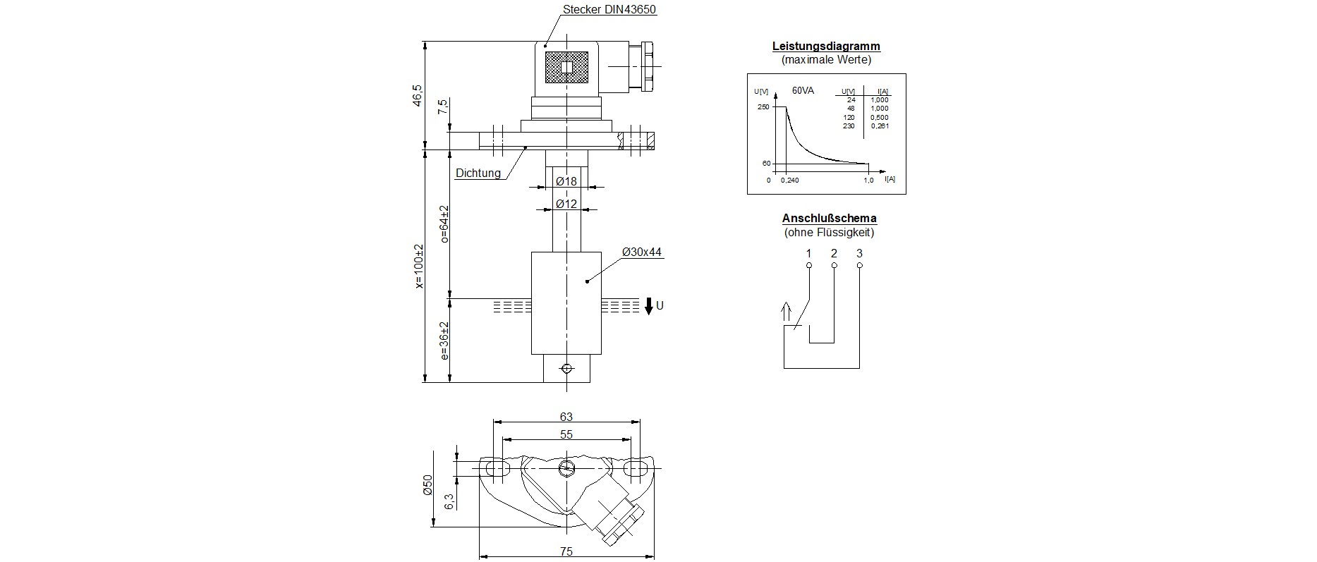
Technische Zeichnung

Dieser Standard-Schwimmerschalter mit Ø12 mm Schaltrohr ist für Anwendungen ausgelegt, die eine robuste Außenmontage und präzise Grenzstandsignale erfordern. Das widerstandsfähige PVC-Gehäuse in Kombination mit einem NBR-Schwimmer eignet sich ideal für wasserbasierte und leicht ölhaltige Medien. Die zuverlässige Reed-Technik arbeitet ohne Dauerstrom und ermöglicht eine langlebige, störungsarme Grenzstandserfassung. Die vertikale Installation erfolgt über einen D75-Flansch von außen, während der genormte DIN-43650-Stecker eine schnelle, sichere elektrische Anbindung gewährleistet.

Einbautiefe: L100 mm

Ausgangsart: Reedkontakt

Kontaktform: C

Arbeitstemperatur: –5 °C … +60 °C

Anschlußart: Stecker DIN 43650

IP-Schutzklasse: IP 65 (DIN VDE 0470 T1)

Schaltleistung max.: 60 VA

Schaltstrom max.: 1.0 A

Schaltspannung max. VDC: 250 V

Dauerstrom max.: 2.0 A

Gewinde / Montageart: D75 mm Flansch

Einbau: von Außen

Gehäusematerial: PVC

Schwimmerwerkstoff: NBR

Zulassung: CE

Montage: vertikal

Eintauchtiefe Schwimmer: 19.5 mm ±2 mm (bei Dichte 1 g/cm³)

Druck Schwimmer max.: 15 bar

Dichte Schwimmer: ca. 0.44 g/cm³ ±10 %

Zulassung

EG-Konformität 2014/35/EU Niederspannungsrichtlinie

Anschlusskopf

Der Anschlusskopf kann von einem einfachen Kabelausgang bis hin zum R2“ Gewinde gestaltet werden.

Gehäuse

Ebenfalls führen wir Flansche in den standardisierten Größen, mit oder ohne Gehäuse

Varianten

Edelstahl- (WNr. 1.4571), Messing- (WNr. 2.0321) und PVC-Varianten

Länge

Schaltrohr bis 1m Länge

Form

Gerade oder gebogene Varianten

Material

Die Materialen der Schwimmerkörper variieren von PVC, PP, POM, PVDF, NBR bis Edelstahl, in Abhängigkeit der Anforderung