Standard-Schwimmerschalter Ø12 mm

SF2N-L1-13-0-G-10

  • Stabil: Edelstahlgehäuse 1.4571 für industrielle und korrosive Medien
  • Vielseitig: POM-Schwimmer für neutrale Flüssigkeiten
  • Praktisch: Außenmontage direkt über Gehäuse
Technische Daten
customizing
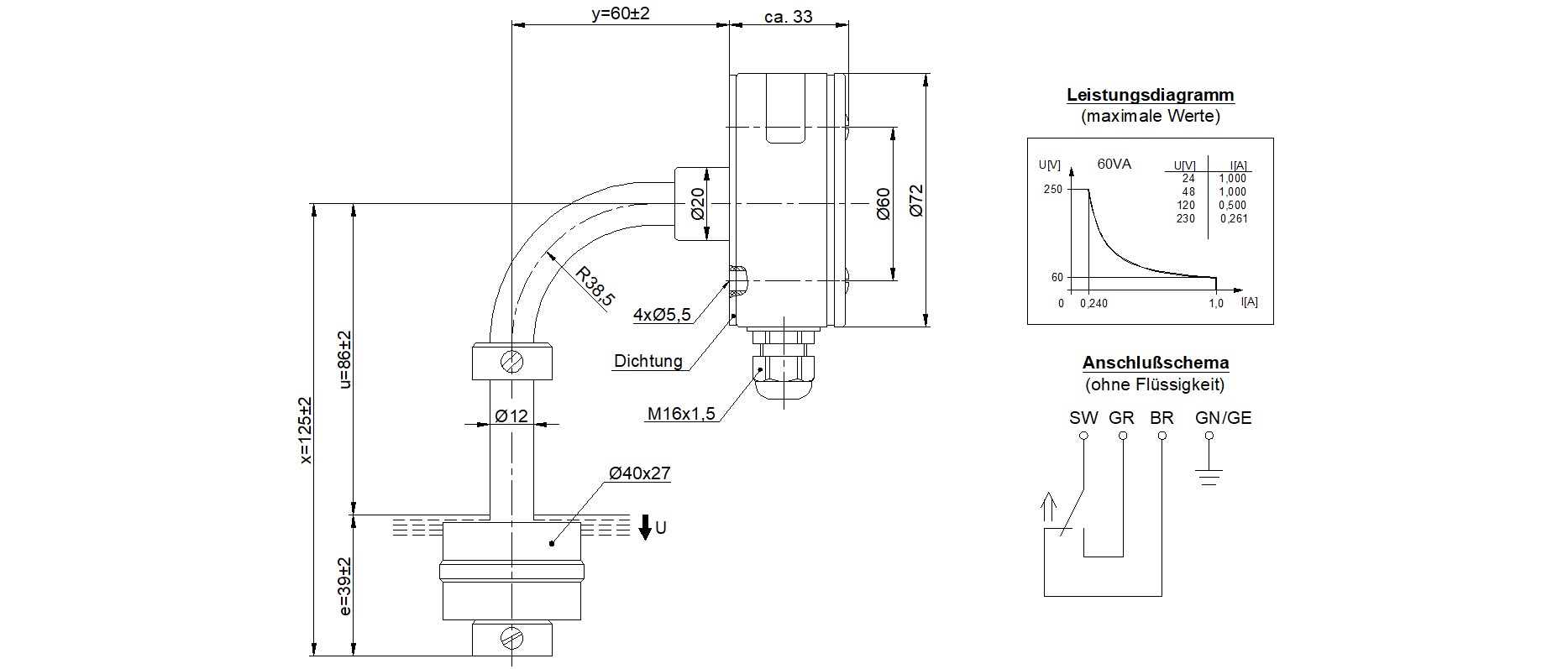
Technische Zeichnung

Dieser Standard-Schwimmerschalter mit Ø12 mm Schaltrohr wurde für Anwendungen entwickelt, in denen robuste Materialien und eine horizontale Installation erforderlich sind. Das widerstandsfähige Gehäuse aus Edelstahl 1.4571 gewährleistet hohe Korrosionsbeständigkeit, während der POM-Schwimmer sich ideal für saubere, neutrale Flüssigkeiten eignet. Die präzise arbeitende Reed-Technik ermöglicht eine langlebige, zuverlässige Grenzstandserfassung ohne Dauerstrom. Die Montage erfolgt horizontal direkt über das Gehäuse, wodurch eine sichere, dichte Außeninstallation in verschiedenen Behältersystemen gewährleistet wird.

Einbautiefe: L125 mm

Ausgangsart: Reedkontakt

Kontaktform: C

Arbeitstemperatur: –5 °C … +60 °C

Anschlußart: Gehäuse

IP-Schutzklasse: IP 65 (DIN VDE 0470 T1)

Schaltleistung max.: 60 VA

Schaltstrom max.: 1.0 A

Schaltspannung max. VDC: 250 V

Dauerstrom max.: 2.0 A

Gewinde / Montageart: Gehäuse (Außenmontage)

Einbau: von Außen

Gehäusematerial: 1.4571

Schwimmerwerkstoff: POM

Zulassung: CE

Montage: horizontal

Eintauchtiefe Schwimmer: 18 mm ±2 mm (bei Dichte 1 g/cm³)

Druck Schwimmer max.: 10 bar

Dichte Schwimmer: ca. 0.69 g/cm³ ±10 %

Zulassung

EG-Konformität 2014/35/EU Niederspannungsrichtlinie

Anschlusskopf

Der Anschlusskopf kann von einem einfachen Kabelausgang bis hin zum R2“ Gewinde gestaltet werden.

Gehäuse

Ebenfalls führen wir Flansche in den standardisierten Größen, mit oder ohne Gehäuse

Varianten

Edelstahl- (WNr. 1.4571), Messing- (WNr. 2.0321) und PVC-Varianten

Länge

Schaltrohr bis 1m Länge

Form

Gerade oder gebogene Varianten

Material

Die Materialen der Schwimmerkörper variieren von PVC, PP, POM, PVDF, NBR bis Edelstahl, in Abhängigkeit der Anforderung