Standard-Schwimmerschalter Ø12 mm

SF6N-N3-13-0-G

  • Robust: Edelstahlgehäuse und Schwimmer aus 1.4571 für korrosive Medien
  • Für Anwendungen bis 25 bar geeignet
  • Montage über genormten Flansch DIN 2527 Typ B (DN65, PN16)
Technische Daten
customizing
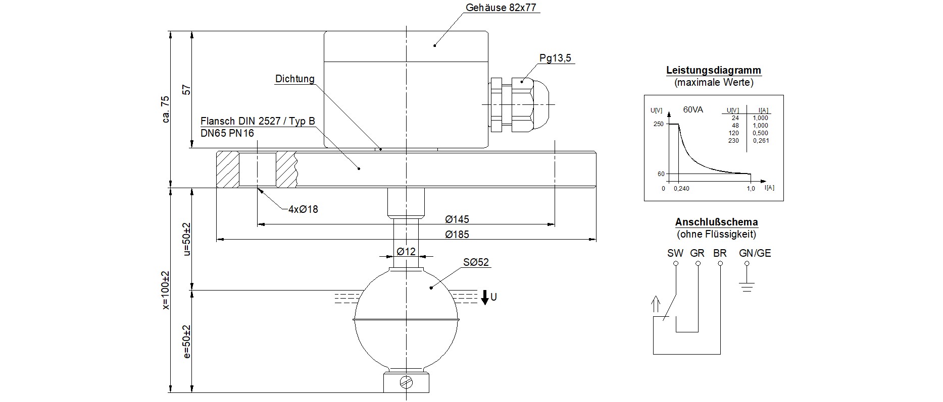
Technische Zeichnung

Dieser Standard-Schwimmerschalter mit Ø12 mm Schaltrohr ist für den Einsatz in industriellen Anlagen vorgesehen, in denen korrosionsbeständige Materialien und erhöhte mechanische Belastbarkeit gefordert sind. Gehäuse und Schwimmer bestehen vollständig aus Edelstahl 1.4571, wodurch der Sensor zuverlässig in anspruchsvollen Flüssigkeiten und unter erhöhtem Betriebsdruck eingesetzt werden kann. Die präzise Reed-Technik arbeitet ohne Dauerstrom und ermöglicht eine langlebige, störungsarme Grenzstandserfassung. Die vertikale Installation erfolgt über einen genormten DIN-2527 Typ B Flansch (DN65, PN16), der eine sichere und dichte Außenmontage gewährleistet.

Einbautiefe: L100 mm

Ausgangsart: Reedkontakt

Kontaktform: C

Arbeitstemperatur: –5 °C … +60 °C

Anschlußart: Gehäuse

IP-Schutzklasse: IP 65 (DIN VDE 0470 T1)

Schaltleistung max.: 60 VA

Schaltstrom max.: 1.0 A

Schaltspannung max. VDC: 250 V

Dauerstrom max.: 2.0 A

Gewinde / Montageart: Flansch DIN 2527 / Typ B DN65 PN16

Einbau: von Außen

Gehäusematerial: 1.4571

Schwimmerwerkstoff: 1.4571

Zulassung: CE

Montage: vertikal

Eintauchtiefe Schwimmer: 32 mm ±2 mm (bei Dichte 1 g/cm³)

Druck Schwimmer max.: 25 bar

Dichte Schwimmer: ca. 0.65 g/cm³ ±10 %

Zulassung

EG-Konformität 2014/35/EU Niederspannungsrichtlinie

Anschlusskopf

Der Anschlusskopf kann von einem einfachen Kabelausgang bis hin zum R2“ Gewinde gestaltet werden.

Gehäuse

Ebenfalls führen wir Flansche in den standardisierten Größen, mit oder ohne Gehäuse

Varianten

Edelstahl- (WNr. 1.4571), Messing- (WNr. 2.0321) und PVC-Varianten

Länge

Schaltrohr bis 1m Länge

Form

Gerade oder gebogene Varianten

Material

Die Materialen der Schwimmerkörper variieren von PVC, PP, POM, PVDF, NBR bis Edelstahl, in Abhängigkeit der Anforderung