Miniatur-Schwimmerschalter 8 mm

MF1K-K1-15-0-010

  • Kompakt: Schlankes Design für enge Einbauräume
  • Effizient: Reed-Technik ohne Dauerstrom
  • Flexibel: NO/NC/Umschalter einfach wählbar
Technische Daten
customizing
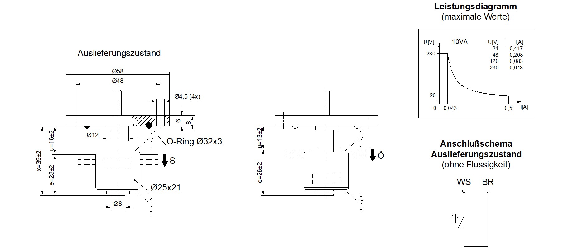
Technische Zeichnung

Die Miniatur-Schwimmerschalter mit 8 mm Schaltrohr bieten hohe Flexibilität bei kompaktem Design. Materialien, Gewinde, Formen und Schwimmergrößen lassen sich modular anpassen – ideal für enge Einbauräume. Die energieeffiziente Reed-Technik kommt ohne Dauerstrom aus, und die Schaltlogik (NO/NC/Umschalter) lässt sich durch Schwimmerdrehung oder Modulauswahl einfach variieren. Ausgänge reichen von Grenzwert-Schaltsignalen bis zu 4–20 mA-Analogsignalen.

Einbautiefe: L39 mm

Ausgangsart: Reedkontakt

Kontaktform: A oder B

Arbeitstemperatur: –5 °C … +60 °C

Anschlußart: Kabel PVC

Kabelquerschnitt: 2 × 0.34 mm²

IP-Schutzklasse: IP 65 (DIN VDE 0470 T1)

Schaltleistung max.: 10 VA

Schaltstrom max.: 0.5 A

Schaltspannung max. VDC: 230 V

Dauerstrom max.: 1.0 A

Kabellänge: 1.0 m

Gewinde / Montageart: D58 mm Flansch

Einbau: von Außen

Gehäusematerial: PVC

Schwimmerwerkstoff: PVC

Zulassung: CE

Montage: vertikal

Eintauchtiefe Schwimmer: 15 mm ±2 mm (bei Dichte 1 g/cm³)

Druck Schwimmer max.: 5 bar

Dichte Schwimmer: ca. 0.7 g/cm³ ±10 %

Zulassung

EG-Konformität 2014/35/EU Niederspannungsrichtlinie

Anschlusskopf

Der Anschlusskopf kann von einem einfachen Kabelausgang bis hin zum R2“ Gewinde gestaltet werden.

Gehäuse

Ebenfalls führen wir Flansche in den standardisierten Größen, mit oder ohne Gehäuse

Varianten

Edelstahl- (WNr. 1.4571), Messing- (WNr. 2.0321) und PVC-Varianten

Länge

Schaltrohr bis 1m Länge

Form

Gerade oder gebogene Varianten

Material

Die Materialen der Schwimmerkörper variieren von PVC, PP, POM, PVDF, NBR bis Edelstahl, in Abhängigkeit der Anforderung